Waterloo Specialties

Honda Tractor Parts Services

New Modules

 

 

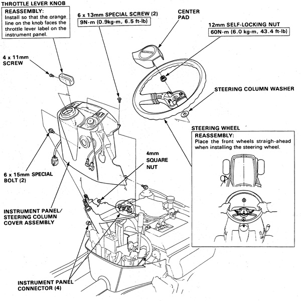
Above shows the location of modules on a 4518. Upper and lower dash removal is required, and really makes this a lot easier.

Removal of upper dash. Use care when removing the throttle knob, there is a not quite captive nut that can fall out and get lost.




Shown on the left,
Lower dash has 2 screws that are under the floor pan. Remove these screws and remove lower panel to have easy access to CDI and Engine control.

New CDI
$140

Now available NEW combination relay for 4518 all years $195



 

 


New fuel pump for 4518
$76

Checkout will add $16 UPS shipping to each item
$18 shipping for fuel pump

Please feel free to contact us any time with your questions or comments, and your feedback is appreciated.

Tom Bauer
(410) 549-6649

Email Waterloo Specialties

This page last updated on 01-01-2020